ANSI 150LB Cast teel Gate Valves
Figure: Z015G
Size : 2"-24"
Design Standard : API 600、BS1414
Face to Face : ANSI B16.10
Flange Drilling : ANSI B16.5、MSS SP-44
Features
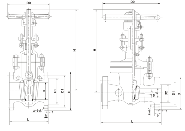
OS&Y, Rising Stem, Flexible Wedge Bolted Bonnet, Welded Seat Ring
Body Material
A216-WCB
A217-WC6, A217-WC9
A351-CF8, A351-CF8M, A351-CF3,A351-CF3M
Specification
Design Standard: API600 or API 6D
Face to Face: ASTM/ANSI B16.10
Flange drilling: ANSI B16.5
Pressure-Temp: ASTM/ANSI B16.34
Pressure test: API 598
Materials
| No. | Parts Name | Material |
| 1 | Body | A216 WCB |
| 2 | Seat Ring | A105+13Cr |
| 3 | Wedge | A216 WCB+13Cr |
| 4 | Stem | A182 F6 |
| 5 | Bonnet Bolt | A193 B7 |
| 6 | Bonnet Nut | A194 2H |
| 7 | Gasket | SS304+Graphite |
| 8 | Bonnet | A216 WCB |
| 9 | Backseat bushing | A182 F6 |
| 10 | Stem packing | Graphite |
| 11 | Gland | A182 F6 |
| 12 | Gland flange | A216 WCB |
| 13 | Gland Nut | A194 2H |
| 14 | Pin | 45 |
| 15 | Gland Eyebolt | A193 B7 |
| 16 | Yoke | A216 WCB |
| 17 | Stem Nut | ZCuA110Fe3 |
| 18 | Oil Cup | |
| 19 | Bearing | |
| 20 | Retaining Nut | AISI 1035 |
| 21 | Hand wheel | Ductile Iron |
| 22 | H.W.Lock Nut | AISI1035 |
Dimensions
| Size | d | L | H | V | o | c | g | t | z-d1 |
| 250 | 254 | 330 | 1186 | 400 | 406 | 362 | 324 | 31 | 12-φ25 |
| 300 | 305 | 356 | 1415 | 400 | 483 | 432 | 381 | 32 | 12-φ25 |
| 350 | 337 | 381 | 1583 | 450 | 533 | 476 | 413 | 35 | 12-φ29 |
| 400 | 387 | 406 | 1771 | 500 | 597 | 540 | 470 | 37 | 16-φ29 |
| 450 | 438 | 432 | 1915 | 550 | 635 | 578 | 533 | 40 | 16-φ32 |
| 500 | 489 | 457 | 2300 | 600 | 699 | 635 | 584 | 43 | 20-φ32 |
| 550 | 540 | 483 | 2500 | 650 | 750 | 692.1 | 641 | 46 | 20-φ35 |
| 600 | 591 | 508 | 2700 | 650 | 813 | 749.5 | 692 | 48 | 20-φ35 |
Drawing




