Product introduction
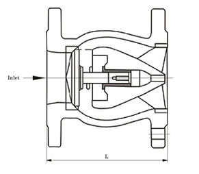
Silence check valve consists of valve body,seat,diversion shuttle,disc,bearing and spring etc..The bore is flow-line designed so pressure loss is very little.The disc's stroke is very short and when stop the pump the valve can close quickly and prevent the great noise from water-hammering so the valve can close quietly without any noise .It is widely used in feeding/draining system,fire protection and heat supplying system,and it is installed at the outlet of the pump to prevent backward fluid's and water-hammering's damage to the pump.
Main technical parameters
Nominal pressure: 1.0-2.5MPa
Nominal diameter: 50-350mm
Service:water,oils,sea water,sewage
Working temperature:0-80
Flanged end: GB/T17241.6 GB9113
Inspection and test: GB/T 13927 API 598
Typical installation diagram

Material
|
Body and diversion shuttle:
|
disc and shaft:
|
spring
|
|
ductile cast iron seat,bearing,
|
Al-bronze or Cr-stainless steel
|
stainless steel
|
Main dimensions unit:mm
|
DN
|
40
|
50
|
65
|
80
|
100
|
125
|
150
|
200
|
250
|
300
|
350
|
|
L
|
110
|
120
|
150
|
180
|
229
|
254
|
267
|
292
|
330
|
356
|
381
|
Drawing




